current location: Home Product Center>DC/DC Power Management IC>DrMOS
Sketch
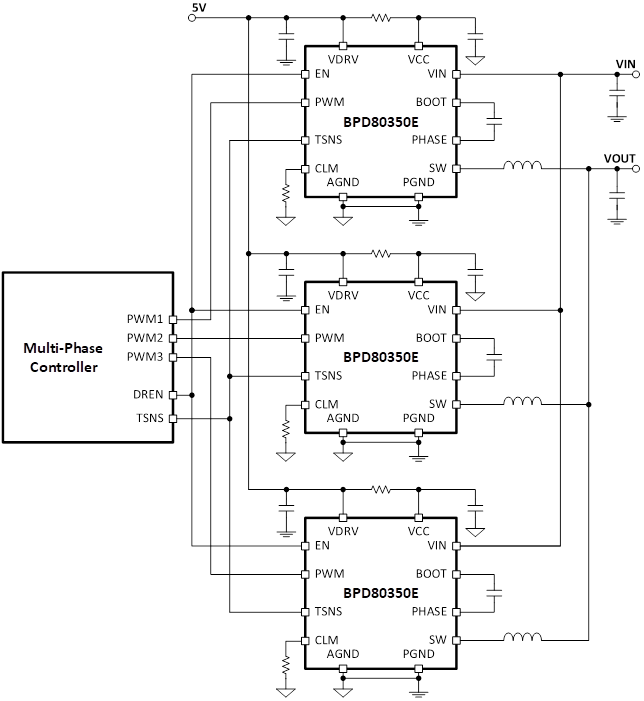
The BPD80350E smart power stage fully integrates high speed drivers and low resistance half-bridge power switches. It offers comprehensive thermal monitoring and protection circuitry in an electrically and thermally optimized package. With a suitable high frequency control unit, this power stage forms a compact, high current voltage regulator system with prominent efficiency and transient response, excellently catering the needs of high current, high power density applications.
Advantage

    Input Voltage: 4.5V to 16V

    50A Current Capability

    High Frequency Operation (up to 1.5MHz)

    3.3V/5V Compatible Tri-State PWM Input

    Zero-Crossing Detection (ZCD) Control

    Integrated Thermal Monitor

    Over-Current Protection (OCP)

Application area
  • High-Frequency, High-Current and Low-Profile DC/DC Converters
  • Multiphase Voltage Regulators for CPUs, GPUs and Memory Arrays
Schematic diagram
Package