搜索
登录
中文
英文
首页
产品中心
DC/DC电源管理芯片
多相数字控制器
智能集成功率器件
降压转换器POL
电子开关/热插拔控制
AC/DC电源管理芯片
非隔离电源
隔离电源
LED照明驱动芯片
非调光
调光
智能面板
电机控制与驱动芯片
电机驱动
MCU
应用
LED照明
智能照明
高性能灯具
通用光源
风扇灯
高性能计算应用
Server
DT
PC(NB/Desk PC/主板)
VGA
汽车电子
汽车风扇
车载水泵
车载压缩机控制
工业应用
两轮电动车
白色家电
电动工具
服务器风扇
消费电子
快充
清洁电器
小家电
高速风筒
服务与支持
销售网络
咨询服务
选型指南下载
投资者关系
信息披露
ESG报告
加入我们
社会招聘
校园招聘
实习生招聘
文化福利
晶星计划
关于我们
公司简介
新闻资讯
分子公司
云游晶丰
DC/DC电源管理芯片
多相数字控制器
智能集成功率器件
降压转换器POL
电子开关/热插拔控制
AC/DC电源管理芯片
非隔离电源
隔离电源
SSR光耦驱动
SSR磁耦驱动
SR同步整流
PSR
LED照明驱动芯片
非调光
AC/DC非隔离低PF
AC/DC非隔离高PF
AC/DC隔离低PF(驱动MOS)
AC/DC隔离低PF(驱动BJT)
AC/DC隔离高PF
线性恒流
线性去频闪
恒压恒流
Boost 恒压恒流
辅助电源
调光
非隔离 PWM调光
线性PWM调光
DC-DC PWM调光
开关调光调色
PWM调色温
0-10V调光
线性可控硅调光
开关可控硅调光
智能面板
单火线
电机控制与驱动芯片
电机驱动
MCU
当前位置:
首页
产品中心
>
DC/DC电源管理芯片
>
多相数字控制器
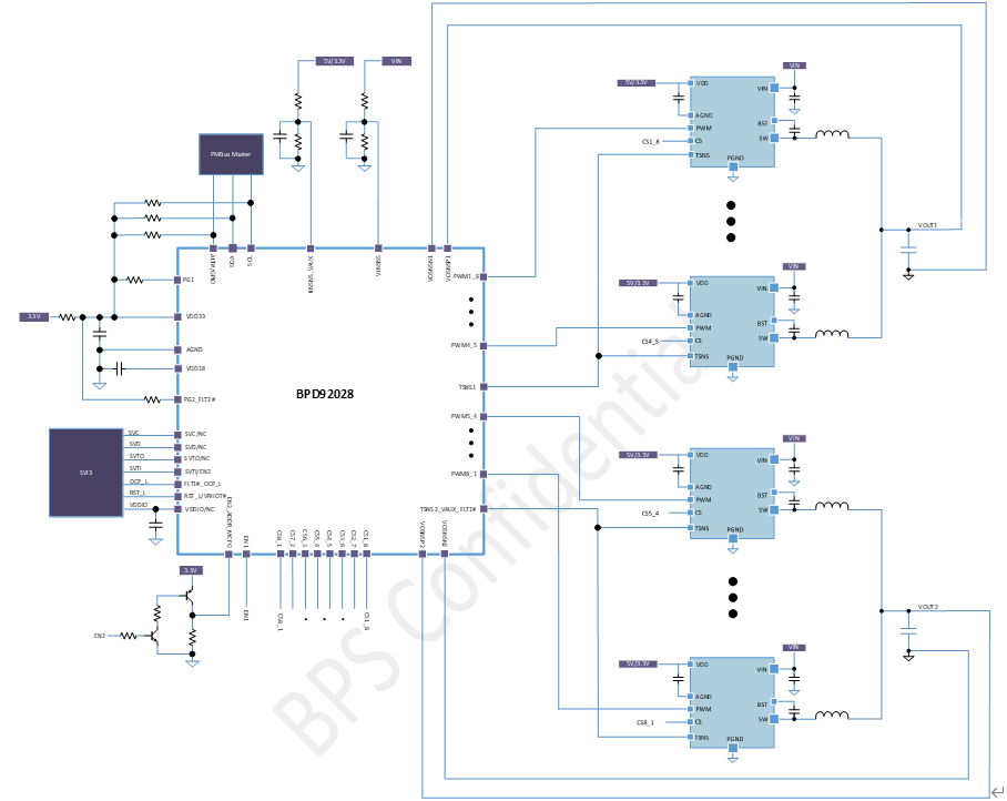
BPD92028
样品申请
简述
优势
应用领域
典型应用原理图
封装
技术文档
相关文章
返回
简述
BPD92028是一款高达8相的多相降压数字控制器,并可以支持(8-X)+X双轨应用。它提供了一个非常简洁的解决方案,只要极少的外围器件就可以满足大电流的供电需求。 支持I2C/ PMBUS协议,支持SVI3接口,CFV3M(恒频电压立方调制)自动环路补偿缓解了系统的稳定性,并通过优化的无源组件提供快速的瞬态响应。
优势
内置
NVM
配置
pin
可编程
MCFG
功能,方便注册代码管理
快速瞬态响应
自动调节回路补偿
智能温度感知
UVLO/OCP/OVP/UVP/OTP/VINOV
保护
应用领域
显卡
服务器
通讯基站
典型应用原理图
咨询