当前位置: 首页 产品中心>DC/DC电源管理芯片 >多相数字控制器
简述
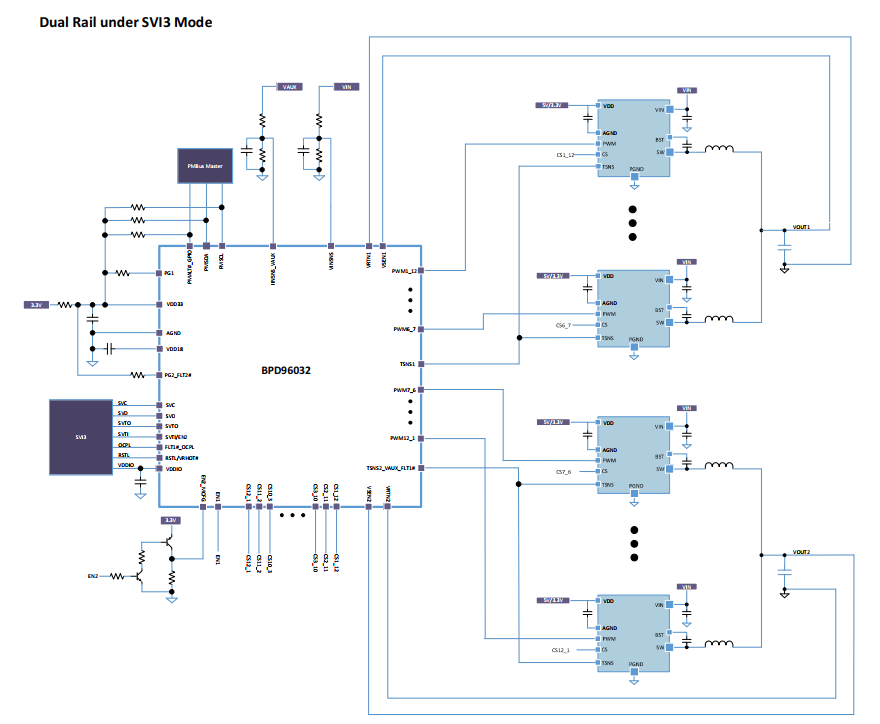
The BPD96032 is an up to 12 phase multi-phaseBuck digital controller, and can support up toX+(12-X) for dual rail application. lt provides avery compact solution with minimized externalcomponents for high current level core powersupply. The part supports l2c and PMBUs Rev 1.3 foroutput control and Svl3 interface for AMD CPUand GPU processors.
优势

    Up to 12 Phase Dual Rail Multiphase Controller

    PMBUS Rev 1.3 compliant

    SVl3 compliant

    Built-in NVM Configuration

    Pin Programmable MCFG Function for easy register code management

    Fs 250k up to 2Meg Hz

    External Phase Number Setting

应用领域
  • Graphics Card
  • Server
  • Telecom
典型应用原理图